SCIENTIFIC MICRO SYSTEMS, INC.

OMTI 3120A, OMTI 3127A

Data bus:

50-pin SCSI interface

Size:

4" x 5.75"

Hard drive supported:

Up to two ST506/412 MFM drives in 3120A, and up to two

ST506/412 RLL 2,7 drives in 3127A

Floppy drives supported:

None

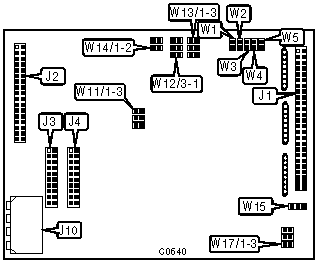
CONNECTIONS

Function

Location

50-pin SCSI interface

J1

34-pin MFM disk control connector

J2

20-pin data cable connector

J3

20-pin data cable connector

J4

DC power connector

J10

SCSI ADDRESS

SCSI ID

W1

W2

W3

»

0

open

open

open

»

1

closed

open

open

»

2

open

closed

open

»

3

closed

closed

open

»

4

open

open

closed

»

5

closed

open

closed

»

6

open

closed

closed

»

7

closed

closed

closed

USER CONFIGURABLE SETTINGS

Function

Location

Setting

»

SCSI parity enabled

W4

closed

»

SCSI parity disabled

W4

open

»

Factory configured - do not alter

W12/1-3

N/A

»

Factory configured - do not alter

W13/1-3

N/A

»

Factory configured - do not alter

W14/1-2

N/A

»

TRMPWR supplied by board (3127A)

W15/pins 1 & 2

closed

»

TRMPWR supplied by SCSI bus (3127A)

W15/pins 2 & 3

closed

»

Factory configured - do not alter

W17/1-3

N/A

Note: Location of W15 pin 1 is unidentified.

SECTOR CONFIGURATION

Bytes/Sector

Sector/Track

W5

W6

»

512

17

open

closed

»

256

32

closed

open

 

512 (3120A)

18

open

open

 

532 (3127A)

17

open

open

»

1024

9

closed

closed

Note: Location of W6 is unidentified.

TERMINATION POWER - 3120A

Function

W11/1

W11/2

W11/3

»

TRMPWR supplied by board

open

closed

closed

»

TRMPWR supplied by SCSI bus

closed

closed

open