SCIENTIFIC MICRO SYSTEMS

OMTI 5520A, OMTI 5527A

Data bus: 8-bit, ISA

Size: Half-length, full-height card

Hard drives supported: OMTI 5520A:Two MFM ST506/ST412 drives

OMTI 5527A:Two RLL ST506/ST412 drives

Floppy drives supported None

Maximum heads/cyl.: 16 heads and 2048 cylinders

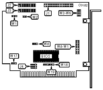
CONNECTIONS

Function

Location

34-pin control cable connector-hard drive

J1

20-pin data cable connector-drive 0

J2

20-pin data cable connector-drive 1

J3

6-pin DC power connector

J4

USER CONFIGURABLE SETTINGS

Function

Location

Setting

»

BIOS enabled

W7

open

 

BIOS disabled

W7

closed

»

BIOS base address is C8000h

W8

open

 

BIOS base address is CA000h

W8

closed

»

Factory configured - do not alter

W9

N/A

»

Factory configured - do not alter

W10

N/A

»

Factory configured - do not alter

W11

N/A

»

Drive 0 soft sectored

W11

open

 

Drive 0 hard sectored

W11

closed

»

Factory configured - do not alter

W12

all

»

Drive 1 soft sectored

W14

open

 

Drive 1 hard sectored

W14

closed

»

Not documented

W17 to 19

N/A

I/O PORT ADDRESS

Address

Jumper W5

Jumper W6

»

320h

open

open

 

324h

closed

open

 

328h

open

closed

 

32Ch

closed

closed

MISCELLANEOUS TECHNICAL NOTES

W1 through W4 are used to configure the drive type. To support most of the drives on the market, there have been several different BIOS's offered. The different BIOS drive type tables are listed with the 5510; The jumper settings are the same for the 5520A and the 5527A.